Publicaciones

Se presenta a continuación un sistema de medida basado en un transductor resistivo que ofrece una variación de la resistencia proporcional a la magnitud a la que es sensible, en el rango en que opera la variación máxima de ΔR es del 2% de R.

Se necesita realizar medidas de las deformaciones de una pieza a lo largo de un año en el rango entre 0 a 10 mm con la mayor precisión posible. Para ello se mide su deformación mediante un tipo de galga
extensiométrica que ofrece una resistencia que varía linealmente con el desplazamient

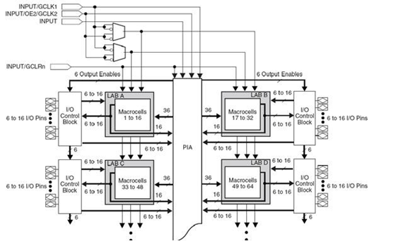
Los CPLD son dispositivo lógicos programables con una complejidad entre los dispositivos PLA y FPGA.  La característica principal comun entre los CPLD y PAL, es la configuración de memoria no-volatil, y con respecto a los dispositivo FPGA,  la característica común de éste último es que posee un desarrollo de compuertas de grande densidades, con la diferencia que los FPGA, tienen mayor densidad que los CPLD. A modo general un CPLD es como si se tuviera varios PLD, tipo PAL, dentro de un sólo chip. el tamaño mas grande los CPLD permite implementar  ecuaciones lógicas o diseños mas complicados

Los sensores de cuerda vibrante (SCV) se han implementado de numerosas maneras y aplicado en diversas áreas; incluyendo la Ingeniería Civil, donde la técnica es ampliamente utilizada hoy en día, en densidad y viscosidad de los fluidos, presión de agua, agua intersticial, presión, las mareas, las tensiones dentro de las estructuras, los asentamientos y la inclinación a edificios, presas,  paredes y otros.

La División de Planta Caruachi tiene la necesidad de incorporar nuevos instrumentos de medición digital en los sistemas auxiliares y principales, debido a los tiempos de paradas de las Unidades Generadoras durante una investigación de fallas, por esta razón fue necesario diseñar de un algoritmo utilizando técnicas de visión artificial para optimizar la lectura del mensurando de un manómetro analógico. Con el objeto de crear una independencia tecnológica y no interrumpir la producción de la energía eléctrica. Para lograr lo antes dicho fue indispensable: a) identificar las técnicas para el procesamiento de imagen, b) Identificar la técnica más adecuada para el reconocimiento de patrones, c) Diseñar un algoritmo para la captura y procesamiento de imagen, d) Identificar la máxima división posible entre dos medidas consecutivas de la escala del manómetro analógico, e) Diseñar un algoritmo que calcule  e indique el valor del mensurando con su respectivo error. Debido a la aplicación del método de Takagi-Sugeno-Kang los resultados de la validación del modelo neuro-borroso fueron satisfactorio al obtener un máximo de desviación estándar de 0,06 kgf/cm   en el margen de (2,50 a 3,50) kgf/cm2 y al obtener un error máximo relativo porcentual de 3,33 % en todo el margen de la escala de (0 a 6,00) kgf/cm2

..

Pretendiendo  hacer  aún  más  eficiente  la  gestión  de  generación  eléctrica  en  el  Sistema  Eléctrico Nacional  (SEN),  se  ha  desarrollado  una  técnica  que  combinando  la  caracterización  de  entornos probabilísticos, obtenidos con redes neuronales, parametrizan una máquina de inferencia borrosa adaptativa  que  determina  los  valores  futuros  de  la  generación,  durante  un  lapso  de  predicción, muestreo,  y  corrección  de  entornos,  asignados  de  manera  arbitraria  por  el  usuario.  Esta  técnica permitiría  determinar  los  niveles  adecuados  de  reserva  rodante  y  capacidad  de  regulación, mejorando el uso de los recursos de generación para regular la frecuencia del SEN y flexibilizar la  programación  de  las  actividades  de  mantenimiento  preventivo.  La  técnica,  basada  en  Redes Neuronales  y  Sistema  de  Inferencia  Borrosa,  plantea  el  uso  de  un  sistema  redundante  neuronal con 59 neuronas de percepción con función de transferencia mixta, 60 neuronas lineales en una capa oculta y 9 neuronas lineales en la capa de salida, este sistema redundante permite establecer los parámetros de una máquina de inferencia borrosa adaptativa, operando un sistema neuronal en tiempo presente para establecer la borrosificación y otro en tiempo futuro para desarrollar la des- borrosificación. Para verificar la aplicabilidad de la técnica se tomó una muestra representativa de la potencia activa del SEN durante 29 días del mes de noviembre del año 2010, siendo esta data tratada  estadísticamente  para  proveer  al  sistema  de  inferencia  de  un  patrón  de  tendencia  del comportamiento de generación, para luego crear la estructura de lo que es el entorno gráfico de simulación implementado en Simulink de Matlab. Considerando esta técnica, y contrastando con data  de  potencia  activa  del  SEN,  en  lapsos  de  actualización  de  muestra  de  4  horas  durante  los cuales  se  efectúo  la  predicción,  se  obtuvo  una  desviación  estándar  en  el  orden  de  195  MW, siendo  esta  desviación  menor  para  cuando  los  lapsos  de  actualización  de  potencia  fueron inferiores a 4 horas.   ..

La importancia de elaborar un presupuesto basado en la apreciación visual para el cálculo de algunos costos como es la tinta de impresión, para una compañía de industria gráfica, puede traer pérdidas a la empresa, por tal razón se elaborará un modelo, basado en inteligencia artificial, para determinar cuantitativamente el costo de tinta a utilizar por cada hoja de impresión. Con la ayuda del programa Matlab se utilizará con dos objetivos: uno para determinar la cantidad de pixeles que posee un arte gráfico y el segundo motivo será entrenar una red Neuro-Borroso, de dos entradas y una salida, con el fin de obtener los parámetros antecedentes y consecuentes para poder ser implementado en Microsoft Excel, la metodología es explicada mediante un ejemplo que se muestra en tablas y algunos algoritmos matemáticos. El estudio permitió elaborar un modelo inteligente que puede calcular el consumo de tinta por hoja conociendo el cantidad de hojas y calculando el porcentaje de píxeles del arte. Aunado a esto la metodología para elaborar el modelo puede ser utilizada para implementarse en cualquier dispositivo electrónico que sea programable.

Cuando las técnicas clásicas de interpolación de datos no satisfacen los resultados, es posible recurrir a técnicas mas avanzadas que posiblemente ameriten el uso de software de alto costos. En este artículo se explica cómo implementar una red, entrenada, Neuro-Borroso en una hoja de cálculo de Microsoft Excel, basándose en una tabla de datos la cual tiene un comportamiento que no se adapta a las técnicas clásicas de interpolación. Se hará uso del programa Matlab con el objeto de entrenar la red Neuro-Borroso, mediante la red Adaptative Neuro-Fuzzy Inference System. Se obtendrán los resultados de los parámetros antecedente y consecuente de la red ANFIS, los cuales son necesarios para realizar la implementación en Excel. El sistema es probado mediante el criterio de la integral del error cuadrático.